日产大真空DSV321SV电压控制水晶振荡器
日产大真空DSV321SV电压控制水晶振荡器
深圳统一电子有限公司,作为KDS晶振品牌官方代理,深耕电子元器件分销领域多年,始终坚守"诚信为本,品质至上,服务高效"的核心理念,凭借严谨细致的品控体系,稳定可靠的供应链能力以及专业贴心的技术服务,在行业内积累了良好的口碑与丰富的优质客户资源,成功成为国内工业控制,汽车电子,消费电子,物联网,通信终端等多领域企业的核心元器件合作伙伴,服务客户涵盖中小型科技企业,大型制造厂商及科研机构,赢得了客户的广泛认可与长期信赖.依托与KDS大真空株式会社原厂的深度战略合作关系,我们不仅搭建起稳定,高效,畅通的供应链体系,更成为原厂与国内客户之间的核心沟通桥梁,全面汇聚KDS全系列优质晶振资源,涵盖温补晶振(TCXO),恒温晶振(OCXO),压控晶振(VCXO),晶体谐振器及低频噪声水晶振荡器等各类产品,能够第一时间对接原厂技术迭代与新品供应信息,实现原厂直供,源头把控品质,从产品采购,入库检测到出库交付,每一个环节都严格遵循标准化流程,彻底杜绝假冒伪劣产品与翻新产品流入市场,为客户提供高性价比,高可靠性的晶振产品,切实降低客户采购风险.我们深耕多领域设备研发与生产需求,专注于为国内相关领域企业提供全方位的一站式服务,涵盖原厂直供采购,专业技术适配,快速样品申请,高效售后保障,批量订单定制等全流程服务,精准对接客户从研发试产到批量量产的全周期需求,切实解决客户在采购选型,技术适配,售后保障等过程中的各类难题,助力客户降低研发成本,缩短生产周期.依托一支由资深电子元器件工程师,行业资深顾问组成的专业技术团队,团队成员均具备10年以上KDS晶振从业经验,熟悉KDS全系列产品的性能参数,应用场景与适配技巧,尤其精通电压控制水晶振荡器的选型与应用,积累了丰富的行业实战经验.我们始终聚焦KDS原厂核心技术迭代与新品应用,密切跟进行业发展趋势,实时关注各类设备对频率精准调控,稳定运行的高端需求,今日重点推介KDS专为精准控频,小型化集成场景量身打造的核心频率器件——日产大真空DSV321SV表面贴装电压控制水晶振荡器.该型号晶振由KDS原厂匠心研发,属于模拟型VCXO压控晶振,凭借精准压控调节,超小体积贴装,高稳定性,宽场景适配为核心亮点,搭配优异的电性能,良好的兼容性,突破传统电压控制水晶振荡器在控频精度,体积适配,稳定性上的三重局限,能够为各类对频率调控有严苛要求的设备提供灵活,稳定,精准的时钟基准,助力客户产品在激烈的市场竞争中形成差异化优势,抢占市场先机.作为KDS晶振品牌代理,深圳统一电子已同步全面对接DSV321SV表面贴装电压控制水晶振荡器的样品申请,现货预定及一对一技术支持服务,目前已储备充足现货,涵盖主流频率规格,品类齐全,能够快速响应客户小批量试产,大批量采购的多样化需求,交付快捷高效,有效缩短客户项目周期.欢迎广大客户随时来电咨询:0755-27837683,我们将依托KDS原厂一手资源与专业的技术服务能力,为您提供高性价比产品,定制化适配方案及高效交付服务,全程保驾护航,助力您的设备提升核心竞争力,快速抢占市场先机,实现商业价值最大化.
随着电子设备向高精度,高智能化,小型化方向快速升级,尤其是在通信终端,工业控制,汽车电子,精密仪器,物联网等核心领域,设备对时钟信号的频率调控精度要求愈发严苛,电压控制水晶振荡器(VCXO晶体振荡器)作为实现频率精准调节的核心器件,其性能直接决定设备的信号同步,数据传输,控制精度等核心功能.在实际应用中,各类设备常面临复杂的工作环境与动态频率调节需求,而传统电压控制水晶振荡器仍存在诸多短板,成为制约设备性能升级的关键瓶颈.
表面贴装型电压控制水晶振荡器凭借安装便捷,适配高密度集成的优势,已广泛应用于各类小型化,自动化生产的设备中,但传统表面贴装型VCXO晶振仍存在诸多痛点,难以满足高端设备的精准控频需求,核心痛点集中体现在三个方面:一是控频精度不足,传统产品的频率调节线性度差,电压控制范围窄,无法实现精细化频率调控,难以适配设备动态频率调节需求,易导致信号同步偏差,数据传输误码;二是体积与性能难以兼顾,部分高精度VCXO晶振封装尺寸偏大,无法适配小型化,高密度集成的设备设计需求,而小型化产品又存在稳定性不足的问题;三是环境适应性差,在高低温,振动,电磁干扰等复杂环境下,控频精度波动较大,频率偏移明显,甚至出现控频失效的情况,影响设备正常运行.此外,部分厂商供应的产品品控不严,电性能一致性差,批量使用时易出现性能差异,进一步增加了客户的采购风险与设备故障隐患.在此行业背景下,KDS(日产大真空)依托近70年晶振研发积淀与前沿制造技术,精准洞察各领域设备的精准控频需求,推出DSV321SV表面贴装电压控制水晶振荡器,以精准压控,超小体积,高稳定的核心优势,破解行业痛点,成为高端设备精准控频的优选频率解决方案,推动各领域设备向更精准,更稳定,更小型化方向高质量发展.
日产大真空DSV321SV晶振:核心亮点
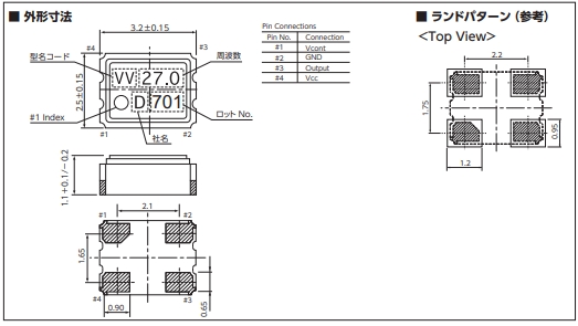
日产大真空DSV321SV四脚贴片晶振,其采用标准表面贴装(SMD)封装设计,封装尺寸仅为3.2mm×2.5mm×1.1mm,属于超小型四脚贴片封装,相较于传统同精度VCXO晶振,体积大幅缩减,完美实现了"精准压控"与"超小集成"的双重突破,既能满足高端设备精准控频的核心要求,又能适配小型化,高密度集成的设备设计需求,无需对设备PCB板布局进行大幅调整,大幅降低设备厂商的研发设计成本.为确保产品品质与性能稳定,该型号晶振经过KDS原厂多轮严苛测试,涵盖高低温环境测试,压控精度测试,振动测试,电磁干扰测试,焊接可靠性测试等多个维度,完全符合ISO9001质量管理体系,ISO14001环境管理体系,ISO/16949汽车行业质量管理体系等多项国际权威体系认证,品质更有保障,可放心应用于各类高端,严苛场景.同时,DSV321SV晶振具备优异的电性能,良好的兼容性与长期稳定性,在宽温度范围内能保持精准的压控调节性能与稳定的频率输出,电性能参数一致性极高,且能与各类高端设备的电路设计完美适配,全方位覆盖通信终端,工业控制,汽车电子等多领域精准控频设备的应用需求,是一款兼具精准压控,超小体积,强实用性与广泛适配性的高端表面贴装型电压控制水晶振荡器产品,为各类设备的精准控频运行提供坚实的频率支撑.
1.精准压控调节,实现精细化频率调控
DSV321SV晶振的核心优势是其远超行业常规水平的精准压控调节能力,作为模拟型VCXO压控晶振,专为对频率调控精度有严苛要求的高端设备量身设计,从压控电路研发到晶体特性优化,均围绕"精准可调"核心需求展开,彻底解决传统VCXO晶振控频精度不足,线性度差的痛点.该型号晶振选用高纯度人工合成石英晶体材料,经过KDS专属精细化切割,抛光与老化处理,有效提升晶体的频率稳定性与压控响应速度,为精准压控奠定基础;同时搭载KDS自主研发的高精度压控振荡电路,采用优化的电压调节模块与信号反馈设计,能够实现电压与频率的线性对应,调节精度极高,可根据设备需求实现精细化频率调控.
根据KDS原厂官方测试数据,DSV321SV晶振的频率精度可精准控制在±50ppm,核心频率涵盖30.240MHz等主流规格,供电电压适配3.3V常用规格,压控范围宽且调节线性度优异,能够快速响应电压变化,实现频率的平稳,精准调节,无明显频率抖动与滞后现象,完美适配设备动态频率调节需求.此外,该型号晶振的压控稳定性极强,在高低温,振动等复杂环境下,压控精度始终保持稳定,不会出现控频偏差,调节失效等问题,无需额外增加压控补偿组件,大幅降低设备的研发成本与结构复杂度,尤其适合需要精准频率同步,动态控频的通信终端,精密仪器等产品,为设备的精准运行筑牢频率调控根基.
2.超小表面贴装设计,适配高密度集成与自动化量产
在设备向小型化,高密度集成升级,且生产向自动化,规模化转型的趋势下,晶振的体积与贴装便捷性成为制约设备研发与量产效率的关键因素.DSV321SV晶振采用标准表面贴装(SMD)封装设计,封装尺寸仅为3225mm,属于超小型四脚贴片晶振,整体结构紧凑,厚度合理,相较于传统同精度VCXO晶振体积大幅缩减,能够最大限度节省PCB板安装空间,完美适配小型化,高密度集成的设备需求,如小型通信模组,车载微型传感器,便携式精密仪器,物联网终端等.
其表面贴装设计搭配合理的引脚布局,能够轻松融入现有设备的自动化表面贴装(SMD)与再流焊接生产线,无需单独设置焊接工序,彻底简化生产流程,减少人工操作,大幅提升生产效率与产品一致性.同时,该型号晶振的封装材料具备优异的耐高温性能,能够耐受再流焊接过程中的高温环境(最高可达260℃),焊接过程中不会出现封装损坏,性能下降等问题,焊接后晶振性能稳定达标,既保障了生产效率,又确保了产品质量,完美适配规模化量产需求.此外,其贴装精度高,与PCB板的贴合度好,能够有效避免因贴装偏差导致的接触不良,控频精度下降等问题,进一步提升设备的运行稳定性.
3.高稳定性表现,适配复杂严苛场景
作为一款专为高端设备打造的电压控制水晶振荡器,DSV321SV晶振具备极为优异的运行稳定性,能够在各类复杂严苛的环境下保持稳定的控频性能与频率输出,有效抵御环境因素对压控精度与频率稳定性的影响.该型号晶振的工作温度范围覆盖-40℃~+85℃,能够轻松适应户外高低温交替,工业车间温度波动,车载极端温度等复杂场景,即便在-40℃的低温环境或+85℃的高温环境下,仍能保持精准的压控调节性能与稳定的频率输出,不会出现频率漂移,控频失效,信号中断等问题.
与传统电压控制水晶振荡器相比,DSV321SV晶振采用KDS先进的稳定性优化技术,通过精准控制晶体的谐振频率与温度系数,有效提升频率稳定性与压控稳定性,长期使用后频率偏移极小,压控精度始终保持在标准范围内.同时,该型号晶振具备较强的抗振动,抗电磁干扰能力,采用抗干扰屏蔽设计,能够有效抵御设备内部电路及外部环境的电磁干扰,振动干扰,避免控频精度波动与频率偏移,确保时钟信号的稳定性与精准性.结合其优异的低抖动特性,能够进一步保障信号传输的纯净度,避免因抖动导致的信号失真的问题,无论是户外部署的物联网应用晶振终端,工业生产中的高精度控制设备,还是车载电子设备,通信终端,该型号晶振都能保持稳定的性能表现,为设备核心功能的高效运转提供可靠保障.
4.核心辅助优势,兼顾通用性与环保合规
DSV321SV晶振在具备精准压控,超小贴装,高稳定性三大核心优势的同时,还拥有一系列核心辅助优势,兼顾通用性与环保合规性,完美适配各类高端精准控频设备需求.该系列晶振为有源晶振,属于模拟型VCXO压控晶振,核心频率涵盖30.240MHz等主流规格,适配3.3V常用供电场景,能够灵活适配不同设备的频率需求与电路设计,通用性极强.其电性能一致性极高,每一颗产品都经过KDS原厂严格筛选与测试,在压控精度,频率稳定性,输出幅度,低抖动等关键指标上均表现优异,能够确保批量使用时性能统一,保障设备量产的一致性与可靠性.
同时,该系列晶振完全符合RoHS环保标准,不含铅,汞,镉等有害物质,严格满足欧盟RoHS指令(2011/65/EU)及后续修订标准,适配全球绿色生产,环保合规的行业趋势,助力企业实现环保合规生产,提升产品的市场竞争力.此外,该型号晶振的使用寿命长,年老化率极低,长期使用后仍能保持稳定的压控精度与频率性能,无需频繁更换与校准,大幅降低设备的维护成本与停机损失,进一步提升设备的综合性价比.其优异的电源适配性,能够有效适配设备电源的微小波动,结合良好的电源抑制比,可过滤输入电源的干扰,确保压控性能不受电源波动影响,适配各类精密电路场景.
DSV321SV赋能多领域精准控频设备升级
1.通信终端领域:适配精准同步设备,保障信号传输质量
通信终端领域的精准同步设备(如小型通信模组,6G卫星通信晶振,对讲机,数字集群通信系统等),对频率同步精度与动态调控能力要求极高,频率偏差或调控不及时会导致信号传输卡顿,衰减,误码率升高,影响通信质量.DSV321SV晶振凭借精准的压控调节能力,能够实现频率的精细化调控,确保通信设备之间的频率同步,减少信号干扰与误码率;其超小体积贴装设计,能够适配小型通信终端,通信模组的高密度集成需求,助力通信设备向小型化,轻量化方向升级;其高稳定性与抗电磁干扰能力,能够适应户外通信设备的高低温,电磁干扰等复杂环境,确保通信设备稳定运行,提升通信质量与可靠性,助力通信技术的规模化落地与升级.
2.工业控制领域:适配高精度控制设备,提升控制精度
工业控制领域的高精度设备(如PLC控制器,工业传感器,伺服驱动器,自动化检测设备等),需要根据生产需求实现动态频率调控,频率调控精度直接决定设备的控制精度与生产效率,甚至影响生产安全.DSV321SV晶振凭借精准的压控调节性能,能够快速响应设备的频率调节需求,实现精细化控频,确保控制信号的精准传输与数据采集的准确性,减少控制误差;其高稳定性能够适应工业车间的温度波动,振动,电磁干扰等复杂环境,确保设备长期稳定运行,避免因晶振性能波动导致的生产中断;其超小贴装设计,能够适配工业控制模块的高密度集成需求,助力工业控制设备向小型化,自动化方向升级,提升生产效率与产品合格率.
3.汽车电子领域:适配车载控频设备,提升行驶安全性
汽车电子领域的控频设备(如车载传感器,车载导航,车载通信模块,自动驾驶辅助设备等),需要在高低温交替,振动,电磁干扰等严苛环境下,保持稳定的精准控频性能,直接关系到汽车行驶的安全性与可靠性.DSV321SV晶振的优异稳定性与精准压控表现,能够轻松适应汽车户外行驶过程中的高低温交替场景(如冬季低温,夏季高温),确保频率输出稳定,控频精准;其抗振动,抗电磁干扰性能,能够抵御汽车行驶过程中的颠簸振动与车载电路的电磁干扰,避免控频精度波动与信号失真,保障车载电子设备正常运行;其超小贴装设计,能够适配车载电子模块的小型化,高密度集成需求,助力车载导航晶振向轻量化,高精度方向升级,提升汽车行驶的安全性与智能化水平.
4.精密仪器领域:适配高端检测仪器,提升测量精度
精密仪器领域的高端设备(如高精度测量仪器,医疗检测设备,激光测距仪,实验室分析仪器等),测量精度与频率调控精度密切相关,精准的频率调控能够大幅提升仪器的测量精度与重复性.DSV321SV晶振凭借精准的压控调节能力,能够为精密仪器提供灵活,稳定的时钟基准,实现频率的精细化调控,避免因频率偏差导致的测量误差;其高稳定性与低老化率,能够确保仪器长期使用后仍保持稳定的控频性能与频率精度,减少校准频率,降低维护成本;其超小贴装设计,能够适配小型化精密仪器的设计需求,助力仪器仪表向便携化,高精度方向升级,广泛应用于科研,医疗,工业检测等高端场景.
5.物联网领域:适配智能终端设备,保障数据同步精准
物联网领域的智能终端设备(如户外环境监测传感器,冷链监测设备,智能计量仪表等),大多需要实现频率同步与动态调控,以确保数据采集与传输的精准性.DSV321SV晶振的精准压控调节能力,能够实现设备之间的频率同步,确保采集的数据精准无误,避免因频率偏差导致的数据错乱;其优异的温度适应性与抗电磁干扰能力,能够适应户外复杂环境,确保设备长期稳定运行;其超小体积设计,能够适配小型物联网传感器的集成需求,助力物联网终端设备向小型化,低功耗,高精度方向升级,为物联网产业的高质量发展提供可靠支撑.
深圳统一电子有限公司,作为KDS晶振品牌代理,始终坚持"客户至上,品质为先,服务为本"的经营理念,凭借与KDS(日产大真空)原厂的深度战略合作关系,建立了稳定,高效,畅通的供应链体系,能够第一时间对接KDS原厂产能,优先获取DSV321SV表面贴装电压控制水晶振荡器的供货资源,为国内客户提供原厂直供产品,彻底打破原厂供应壁垒,大幅缩短交付周期,降低客户采购成本与项目风险,确保客户能够及时获取所需产品,保障项目进度.目前,我们已同步储备DSV321SV晶振现货,涵盖30.240MHz等主流频率规格,库存充足,品类齐全,能够满足客户小批量试产,大批量采购的多样化需求.
我们始终以客户需求为核心,组建了一支由资深电子元器件工程师,专业采购顾问,高效售后人员组成的专业团队,团队成员均具备多年KDS电信设备6G晶振从业经验,熟悉DSV321SV晶振的性能参数,应用场景与适配技巧,尤其精通电压控制水晶振荡器的选型与应用,能够为客户提供一对一精准的选型指导,样品测试,技术咨询,电路适配等全流程专业技术服务.针对客户研发过程中遇到的技术难题,我们将快速响应,高效解决,提供切实可行的解决方案,缩短研发周期,提升产品研发效率,降低研发成本,助力客户快速实现产品落地,抢占市场先机.
作为您值得信赖的电子元器件合作伙伴,我们为您提供全方位的一站式服务,助力您高效选用日产大真空DSV321SV晶振,具体服务优势如下:
原厂正品保障:所有日产大真空DSV321SV晶振均直接来源于KDS原厂,经过原厂严格的质量检测与筛选,每一颗产品都符合KDS的质量标准与性能要求,附带原厂质量检测报告,确保产品品质与性能完全达标,杜绝假冒伪劣产品与翻新产品,为客户提供100%原厂正品保障,让您采购无忧,使用无忧,从源头规避采购风险,保障您的产品质量与市场口碑.
优先现货与样品供应:依托与KDS原厂的深度合作,我们已同步储备DSV321SV晶振现货,库存充足,品类齐全,能够满足客户小批量试产,大批量采购的多样化需求;同时开通样品申请通道,支持客户小批量样品测试,为客户提供免费样品,满足客户研发试产需求,帮助客户提前验证产品适配性.针对大批量采购订单,我们将优先对接原厂产能,开通绿色供货通道,安排优先发货,大幅缩短交付周期,避免因缺货导致的项目延误,保障客户项目进度,助力客户快速抢占市场,把握行业机遇.
专业技术支持:拥有一支由资深电子元器件工程师组成的专业技术团队,深耕KDS晶振领域多年,熟悉DSV321SV晶振的性能参数,应用场景与适配技巧,尤其擅长电压控制水晶振荡器的选型与电路适配,能够为客户提供一对一精准的选型指导,样品测试,技术咨询,电路优化等全流程专业技术服务.针对客户研发过程中遇到的技术难题,我们将快速响应,高效解决,提供切实可行的解决方案,缩短研发周期,提升产品研发效率,降低研发成本,助力客户快速实现产品落地,抢占市场先机.
灵活定制与售后:支持小批量试产与大批量订单定制,可根据客户的具体应用需求,性能要求与封装需求,精准对接KDS原厂提供定制化解决方案,满足客户的个性化需求,助力客户打造差异化产品,提升产品市场竞争力.同时建立完善的售后服务体系,为客户提供产品质量保障,技术咨询,故障排查,退换货等全方位售后支持,全程跟进客户使用情况,及时解决客户使用过程中遇到的各类问题,让客户使用无忧,全程为您的采购与使用保驾护航.
在通信终端,工业控制,汽车电子,精密仪器等领域快速升级的今天,精准频率调控已成为提升设备核心竞争力的关键因素,而电压控制水晶振荡器作为精准控频的核心载体,其性能直接决定设备的运行稳定性,信号同步精度与控制精度.日产大真空DSV321SV表面贴装电压控制水晶振荡器的推出,实现了"精准压控,超小贴装,高稳定"的多重突破,精准破解了传统低电压晶振在控频精度,体积适配,稳定性上的行业痛点,为各类高端精准控频设备提供了全新的频率解决方案,彰显了KDS(日产大真空)在晶振领域的深厚技术实力与持续创新能力,推动各领域设备向更精准,更稳定,更小型化,更智能化方向高质量发展.
深圳统一电子有限公司作为KDS晶振品牌代理,始终致力于将KDS全球领先的晶振资源引入国内市场,为国内各行业企业提供优质的产品与专业的服务,搭建起原厂与客户之间的高效沟通桥梁,打破供应链壁垒,让国内客户能够便捷,高效地获取KDS原厂高品质器件.无论您是研发通信终端,工业控制设备,还是汽车电子,精密仪器,只要您有精准控频晶振选型需求,我们都能为您提供适配的日产大真空DSV321SV晶振及定制化选型方案,助力您的产品提升核心竞争力,快速抢占市场先机,实现商业价值最大化.
如需了解日产大真空DSV321SV表面贴装电压控制水晶振荡器的详细规格书,免费样品申请,最新报价,或需要专业的技术支持与选型指导,欢迎随时联系我们,我们将竭诚为您提供全方位,精细化的服务,以专业的能力,优质的产品,高效的服务,与您携手共赢,共筑高端设备精准控频新基准!
咨询热线:0755-27837683
深圳统一电子有限公司——KDS晶振品牌代理,您身边的专业电子元器件合作伙伴,与您携手,共筑高端设备精准控频新高度!
日产大真空DSV321SV电压控制水晶振荡器
|
KDS晶振 |
1TC082BFNS002 |
DT-38 |
308 |
32.768KHZ |
|
KDS晶振 |
1TC080DFNS003 |
DT-38 |
308 |
32.768KHZ |
|
KDS晶振 |
1TD125DHNS047 |
DT-26 |
206 |
32.768KHZ |
|
KDS晶振 |
1TD125DFNS009 |
DT-26 |
206 |
32.768KHZ |
|
KDS晶振 |
1TD060DHNS006 |
DT-26 |
206 |
32.768KHZ |
|
KDS晶振 |
7AD00800A1C |
DSX321G |
3225 |
8.000MHZ |
|
KDS晶振 |
1XXD24000MBA |
DSB211SDN |
2016 |
24.000MHZ |
|
KDS晶振 |
1AR11059CEB |
SMD-49 |
|
11.0592MHZ |
|
KDS晶振 |
1N226000AB0J |
DSX321G |
3225 |
26.000MHZ |
|
KDS晶振 |
1N227000AB0N |
DSX321G |
3225 |
27MHZ |
|
KDS晶振 |
1AJ039286A |
SMD-49 |
|
3.928231MHZ |
|
KDS晶振 |
1ZZCAA27120CD0A |
DSX211G |
2016 |
27.12MHZ |
|
KDS晶振 |
1ZCB26000AB0R |
DSX221G |
2520 |
26.000MHZ |
|
KDS晶振 |
1C226000BE0D |
DSX321G |
3225 |
26.000MHZ |
|
KDS晶振 |
1AJ160006BL |
SMD-49 |
|
16.000MHZ |
|
KDS晶振 |
1C216384BE0D |
DSX321G |
3225 |
16.384MHZ |
|
KDS晶振 |
1C224576AC0A |
DSX321G |
3225 |
24.576MHZ |
|
KDS晶振 |
1SB103CE1MM |
SINGLE |
|
|
|
KDS晶振 |
1XTV36864HBA |
DSA321SCM |
3225 |
36.864MHZ |
|
KDS晶振 |
1C210000EK0C |
DSX321G |
3225 |
10.000MHZ |
|
KDS晶振 |
1ZCT24000BD0A |
DSX320GE |
3225 |
24.000MHZ |
|
KDS晶振 |
1CG12288EE1C |
DSX630G |
6035 |
12.288MHZ |
|
KDS晶振 |
1AJ16000EEL |
SMD-49 |
|
16.000MHZ |
|
KDS晶振 |
1CW08000EK3B |
DSX151GAL |
11.8*5.5 |
8.000MHZ |
|
KDS晶振 |
1N226000AB0M |
DSX321G |
3225 |
26.000MHZ |
|
KDS晶振 |
7AE01200A00A000000I |
DSX221G |
2520 |
12MHZ |
|
KDS晶振 |
1ZZHAM24000BB0B |
DSX1612S |
1612 |
24MHZ |
|
KDS晶振 |
1ZP01992 |
DSF753SCF |
5070 |
21.4MHZ |
|
KDS晶振 |
1AJ160003D |
SMD-49 |
|
16.000MHZ |
|
KDS晶振 |
1N340000LA0B |
DSX321G |
3225 |
40.000MHZ |
|
KDS晶振 |
1C340000LA0A |
DSX321G |
3225 |
40.000MHZ |
|
KDS晶振 |
1ZZNAE38400AA0C |
DSX211SH |
2016 |
38.400MHZ |
|
KDS晶振 |
1XSF033333ARA |
DSO221SR |
2520 |
33.3333MHZ |
|
KDS晶振 |
7FE02496A00H0000008 |
DSO221SX |
2520 |
24.96MHZ |
|
KDS晶振 |
1XSE038702AR |
DSO321SR |
3225 |
38.7024MHZ |
|
KDS晶振 |
1ZC12256 |
DST1210A |
1210 |
32.768KHZ |
|
KDS晶振 |
1XST156250AKM |
DSO323SK |
3225 |
156.25MHZ |
|
KDS晶振 |
1XSE025000AR5 |
DSO321SR |
3225 |
25.000MHZ |
|
KDS晶振 |
1XSE050000ART |
DSO321SR |
3225 |
50MHZ |
|
KDS晶振 |
1AJ073726AV |
SMD-49 |
|
7.3728MHZ |
|
KDS晶振 |
1XSE024000AW1 |
DSO321SW |
3225 |
24.000MHZ |
|
KDS晶振 |
1XSE033333ARD |
DSO321SR |
3225 |
33.3333MHZ |
|
KDS晶振 |
1AJ040003DJ |
SMD-49 |
|
4.000MHZ |
|
KDS晶振 |
1D73375GR1 |
DSF633SDF |
|
73.35MHZ |
|
KDS晶振 |
1ZZHAM26000AB0A |
DSX1612S |
1612 |
26.000MHZ |
|
KDS晶振 |
1C233333BC0G |
DSX321G |
3225 |
33.333333MHZ |
|
KDS晶振 |
7EE05200A02 |
DSB221SDN |
2520 |
52MHZ |
|
KDS晶振 |
1C214745CE0E |
DSX321G |
3225 |
14.7456MHZ |
|
KDS晶振 |
1C262400BK0A |
DSX321G |
3225 |
62.4MHZ |
|
KDS晶振 |
1XXC26000MMA |
DSA211SDN |
2016 |
26.000MHZ |
|
KDS晶振 |
1RAA26000AFA |
DSR221STH |
2520 |
26.000MHZ |
|
KDS晶振 |
1ZCB24265ZZ0C |
DSX221G |
2520 |
24.265MHZ |
|
KDS晶振 |
1TD080DJNS001 |
DT-26 |
206 |
32.768KHZ |
|
KDS晶振 |
1ZZCAA26000AB0A |
DSX211G |
2016 |
26.000MHZ |
|
KDS晶振 |
1TJE090DT1A000B |
DST410S |
4115 |
32.768KHZ |
|
KDS晶振 |
1N226000AA0AE |
DSX321G |
3225 |
26.000MHZ |
|
KDS晶振 |
1N215974EE0B |
DSX321G |
3225 |
15.9744MHZ |
|
KDS晶振 |
1C216000CZ0B |
DSX321G |
3225 |
16.000MHZ |
|
KDS晶振 |
1TJN090DP1A0004 |
DST1210A |
1210 |
32.768KHZ |
|
KDS晶振 |
1XSE013000AR7 |
DSO321SR |
3225 |
13.000MHZ |




微信号


